How to show CAD drawings on a Web Page

After my posts on BricsCAD SHAPE & DraftSight renewed my interest in CAD drawings I started to look at another couple of things about CAD drawings.
I looked at extracting data from a PDF file, similar to what I am doing with 3D PDF’s with BIM model.
From preliminary reading, extracting Attributes out of Cad files is different from extracting parameter data out of BIM. Apparently the Attributes Data is just text, so its hard to hook onto that data.
Anyway, while fossiking around the web I came across this site which shows you how to display cad drawings on a web page using iframes with their plugin.
I made a demonstration page on my Property Site HERE.
It is a nice tool and you can put a download link next to it to make it possible to download the file.
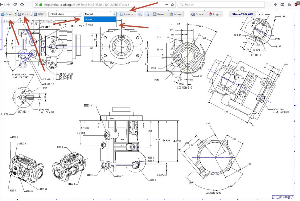
It does not look pretty on the web page as its showing Model Space as Default, so the nice page setups that you have on your Layout Tabs have to be specifically selected from the tab in the right hand corner.
Also, a lot of my drawings have lines that are light in colour, so best viewed with a dark background (3rd button from left from Left Hand Top Corner).
Now, the nice thing with having your CAD files viewable and accessible for download is twofold:
1/ You allow access to CAD drawings for updating, to keep current & you know where the drawing are. The drawings can be checked to see they have the latest revision and the sheet layouts that you require.
2/ From a programme like DraftSight (Free Cad package) you can insert and extract Attribute Data from the files. So you have access to Data relevant to that asset (Infrastructure Asset) and you can interrogate the drawing for other information.
I must admit that for point 2 you need to have the rudiment understanding of how to drive a cad file and also download the specialist cad programme, so it cannot be done with front of house staff, whereas the 3D PDF extract to Excel Macro can be.
But what this programme allows you to do is to have 2 parallel workflows:
- One for 3D modelling using BIM & 3D PDF & Excel Macro, and
- One for 2D CAD (where a lot of contractors supplying As-Built Documentation currently are).
So you can obtain and manage data on your assets from 2 streams.
In the future, if there is a transition to 3D BIM then that is fine, but with these tools you have the way of capturing data from what is happening out in the market place at the current time.
A self Managed Application
The free viewer is a taster from CadSoftTools. They do have an application that you can put on your server, starting at 1879$ (I presume US) which also has some extra capabilities, see HERE. The company has some big clients like Shell & Siemens, so the tool must be pretty good for these size companies to be using it. I’ll stick with the free iframe version for the moment.
I did have a bit of a problem at the beginning in getting it to work. On my VPS I have a windows server. Every time I tried to call the drawing I got this error:

So I put a text file in the directory and it was able to open that fine.
The problem was that on my server there was not a .dwg definition in the MEME Types, so after I put that in its fine.

If you want to view a specific Drawing DWG file on your computer and print it, you can go to this site and use the open button in the top left corner to find the drawing you wish to view: https://sharecad.org/
This one allows for a share and sends a link that is only LIVE for 24 hours( I couldn’t get it to work- Maybe best to send others the drawing & link to Browser Cad viewer).


There is also this viewer: https://gallery.proficad.eu/tools/AutoCAD-Viewer.aspx
This one seems only to show Model Space, but has other features such as printing to PDF. I do not think it does line thicknesses for printing so will all be either coloured lines or thin lines. Still, a handy tool.
(If others wanted line thicknesses you’d have to send drawing file and line setup file and a link to download DraftSight)


Comments
I think this is a smart tool. It is a good way to get all your documentation together. Especially if you have documentation from different designers on different buildings. You can lump them all together in a property portfolio and also link by map as well.
The nice thing is they are viewable.
You could do PDF’s of all of the sheets and try and keep them up to date, or you could just put your drawing in a viewable and accessible place.
If you have a lot of iframe drawings on one page you could use a Lazy Load Plugin or have a plugin that you have to click on a frame to activate.
My next exercise is to try and put a few attributes into some drawings and then extract that information. Then see where I can push that information (Excel? TXT?) and see if I need to reshape the data for inputting into a database (Using Knime or another analytic tool).